
![]() |
服務熱線:0574-23889718 |

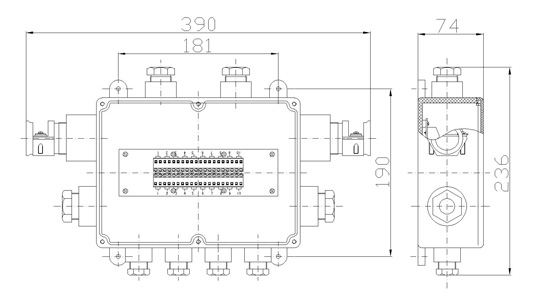
規格: JHH-10(D)
名稱: 本安電路用接線盒
適用電纜外徑: A1(6-16) B5(6-12) C2(10-18) D2(18-26)
技術參數: 額定電壓≤60V、額定電流≤1A
適用范圍: 適用煤礦井下瓦斯和煤塵爆炸的環境,作為電氣設備之間,連接 本質安全型電路的電纜接線、分線之用
接線用途: 該產品只能適用于本安電路連接
訂貨須知: 訂貨時需說明訂貨數量、規格及配接電纜型號
安全標志證號: MAF100286
防爆合格證號: 2104268
防爆型式: CCCMT15.0217
容量: 10對
【應用】:我公司產品主要應用于煤礦,非煤礦山的通信系統,安全監控系統,人員定位系統等 各大系統的信號傳輸中電纜,光纖的接線和分線。